第一章 单元测试
1、判断题:
可以用万用表交流档测量音频信号的大小。( )
选项:
A:对
B:错
答案: 【错】
2、判断题:
用万用表测量电流时需要把万用表串接入被测电路中。( )
选项:
A:对
B:错
答案: 【对】
3、判断题:
为了得到正负12V电压给运算放大器供电,需要把电源设置于串联工作方式。( )
选项:
A:对
B:错
答案: 【对】
4、判断题:
为了得到正负12V电压给运算放大器供电,需要把电源设置于并联工作方式。( )
选项:
A:对
B:错
答案: 【错】
5、单选题:
用示波器观测交流信号,被测信号接入通道1(CH1),为使信号能稳定地显示在屏幕上,触发信源应选择( )。
选项:
A:CH2
B:EXT
C:CH1
D:LINE
答案: 【CH1】
6、单选题:
用示波器测量一含有较大直流成分的交流小信号时,为使交流信号在屏幕上尽量占据大的幅面以便精确测量,输入信号的耦合方式应选择( )
选项:
A:DC耦合
B:其余选项都可以
C:AC耦合
D:接地
答案: 【AC耦合】
7、单选题:
用示波器测量信号的直流成分时,输入信号的耦合方式应选择( )
选项:
A:其余选项都可以
B:接地
C:DC耦合
D:AC耦合
答案: 【DC耦合】
8、判断题:
在用示波器观测含有噪声干扰的信号时,为使信号波形能稳定地显示在示波器上,观测含有高频干扰的低频信号时触发信号的耦合方式选用HFR(高频抑制) 耦合方式,观测含有低频干扰的高频信号时触发信号的耦合方式选用LFR(低频抑制) 耦合方式。观测普通无噪声的信号时选用AC耦合。( )
选项:
A:错
B:对
答案: 【对】
第二章 单元测试
1、判断题:
如果设定不同的电压与电流参考方向,基尔霍夫定律仍然成立。( )
选项:
A:对
B:错
答案: 【对】
2、判断题:
如果电路中含有非线性器件,基尔霍夫定律仍然成立。( )
选项:
A:错
B:对
答案: 【对】
3、判断题:
在叠加定律验证实验中,将不起作用的电压源直接短接。( )
选项:
A:错
B:对
答案: 【错】
4、判断题:
在叠加定律验证实验中,将不起作用的电压源直接关闭。( )
选项:
A:错
B:对
答案: 【错】
5、判断题:
电阻消耗的功率也具有叠加性。( )
选项:
A:错
B:对
答案: 【错】
第三章 单元测试
1、判断题:
OrCAD套件不能绘制PCB版图。( )
选项:
A:错
B:对
答案: 【】
2、判断题:
要分析电路的频域特性,可采用AC Sweep/Noise分析类型。( )
选项:
A:对
B:错
答案: 【】
3、判断题:
为了实现电路仿真,在capture中的接地需选择SOURCE库中的接地。( )
选项:
A:对
B:错
答案: 【
4、判断题:
在PSpice A/D软件中,一般采用Meg来表示兆。( )
选项:
A:错
B:对
答案: 【】
5、判断题:
在PSpice A/D交流分析的AC Sweep/Noise设置中,选用对数坐标,起点可以从0Hz开始。( )
选项:
A:对
B:错
答案: 【】
第四章 单元测试
1、单选题:
某NPN晶体管共射放大电路中,当IB 从15μA增大到20μA时,IC 从2 mA变为3mA,那么这晶体管的β约为( )。
选项:
A:200
B:100
C:150
D:133
答案: 【】
2、多选题:
在共射放大电路实验中,当输入1kHz正弦信号幅度提高到80mV左右时,示波器中观察到输出电压波形出现了顶部削平的失真。这种失真属于( )。
选项:
A:截止失真
B:饱和失真
C:线性失真
D:非线性失真
答案: 【】
3、单选题:
共射放大电路实验中,当输入1kHz、30mV峰峰值正弦信号时,测得负载开路时的输出电压为1.08V峰峰值,接入7.5 kΩ 负载电阻后输出电压峰峰值降为0.75V。这说明放大电路的集电极电阻Rc约为( ) 。
选项:
A:1.8kΩ
B:3.3kΩ
C:6.8kΩ
D:5.1kΩ
答案: 【】
4、单选题:
如果要求多级放大电路能正常放大直流信号,那么其级间耦合方式应该选用( )。
选项:
A:电容耦合
B:变压器耦合
C:直接耦合
D:其余选项都可以
答案: 【】
5、单选题:
差分放大电路只将其偏置方式由长尾型偏置换成恒流源偏置,那么这电路的差模增益和共模增益变化情况是( )。
选项:
A:差模增益基本不变,共模增益减小
B:差模增益减小,共模增益基本不变
C:差模增益基本不变,共模增益增大
D:差模增益增大,共模增益基本不变
答案: 【】
6、单选题:
要提高放大电路的输入电阻,降低输出电压的负载灵敏度,应该引入的负反馈类型为( )。
选项:
A:电压并联负反馈
B:电流并联负反馈
C:电压串联负反馈
D:电流串联负反馈
答案: 【】
7、判断题:
共射放大电路在低频段增益下降的原因是晶体管内部存在结电容。( )
选项:
A:对
B:错
答案: 【】
8、判断题:
多级放大器电路分析时,后一级电路的输入电阻可视为前一级电路的负载,而前一级电路的输出电阻可视为后一级电路的信号源内阻。( )
选项:
A:错
B:对
答案: 【】
9、判断题:
放大电路引入合适负反馈后,将使放大电路的各方面性能得到改善。例如增益变大、频带拓宽。( )
选项:
A:对
B:错
答案: 【】
第五章 单元测试
1、单选题:
741运放构成的反相放大器电路,±12V供电,设计的电压增益值为 20倍。当输入1V直流信号时,其输出电压值约为( )。
选项:
A:+11V
B:-20V
C:+20V
D:-11V
答案: 【】
2、单选题:
在方波-三角波发生器电路实验中,只把积分电容由0.22μF换成0.1μF,产生的方波和三角波周期和幅度将发生如下变化,( )。
选项:
A:幅度变大、周期变小
B:幅度不变、周期变大
C:幅度变大、周期变大
D:幅度不变、周期变小
答案: 【】
3、判断题:
运放的输出电阻很小,用它构成负反馈的基本运算电路后输出电阻会更小,其输出电压接近理想电压源,因此可以直接驱动功率较大的直流电机。( )
选项:
A:错
B:对
答案: 【】
4、判断题:
方波-三角波发生器电路中,两波形可能同时产生,也可能只产生一个。( )
选项:
A:错
B:对
答案: 【】
5、判断题:
与过零比较器相比,迟滞比较器存在正反馈,所以转换速度更快。( )
选项:
A:对
B:错
答案: 【】
6、单选题:
若设计的反相放大器电路如下图所示,把信号源输出空载电压调到1kHz、80mV峰峰值后接入到放大电路输入端。已知信号源内阻为600Ω,则测得的输出电压峰峰值将会是( )左右。
选项:
A: 133mV
B:960mV
C:500mV
D:800mV
答案: 【】
7、单选题:
设某741运放开环幅频特性曲线如下图,用它构成增益为100倍的同相放大器。则该同相放大器的上限截止频率约为( )。
选项:
A:10Hz
B:10^2Hz
C:10^4Hz
D:10^3Hz
答案: 【】
8、单选题:
反相积分器电路如图,若需要把频率300Hz、峰峰值6V的方波转换为峰峰值为4V左右的三角波,提供的电容C值为0.1 μF,则电阻R1的标称值应该取为( ) 。
选项:
A: 6.2kΩ
B:12kΩ
C:24kΩ
D:51kΩ
答案: 【
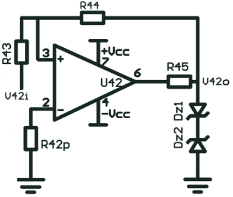
9、单选题:
迟滞比较器电路如下图,Dz1、Dz2都为6.2V稳压管,正向导通电压按0.7V计算,R43、R44的取值分别为10kΩ和30kΩ。若要把三角波转换成方波,则输入三角波的幅度不能小于( )。
选项:
A:4.6V
B:2.3V
C:6.2V
D:6.9V
答案: 【】
第六章 单元测试
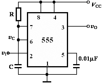
1、单选题:
在用555时基电路接成的施密特触发器电路中,当Vcc=9V、外接控制电压VCO=5时,其回差电压ΔVT是多少伏?( )
选项:
A:2.5V
B:6V
C:3V
D:5V
答案: 【】
2、单选题:
在555时基电路接成的多谐振荡器电路中,当5脚外接控制电压VCO升高时,电路的振荡频率:( )
选项:
A:降低
B:升高
C:不确定
D:不变
答案: 【】
3、单选题:
在如图所示的施密特触发器电路中,当Vcc=12V时,其回差电压ΔVT是多少伏?( )

选项:
A:8V
B:2V
C:4V
D:6V
答案: 【】
4、单选题:
在如图所示的单稳态触发器电路中,为使每个输入的低电平脉冲都能有效触发,对输入脉冲的低电平持续时间和周期有何要求?( )
选项:
A:低电平持续时间t小于暂稳态持续时间tw、周期小于暂稳态持续时间tw。
B:低电平持续时间t大于暂稳态持续时间tw、周期小于暂稳态持续时间tw。
C:低电平持续时间t大于暂稳态持续时间tw、周期大于暂稳态持续时间tw。
D:低电平持续时间t小于暂稳态持续时间tw、周期大于暂稳态持续时间tw。
答案: 【】
5、单选题:
在如图所示的多谐振荡器电路中,若R1=R2=5.1KΩ,C=0.01μF,Vcc=12V,这电路的振荡频率是:( )
选项:
A:5.9KHz
B:11KHz
C:9.3KHz
D:14KHz
答案: 【】

请先 !